N-male, G30 (SLL-240), обтиск Telegartner J01020A0119
Країна виробник - Німеччина
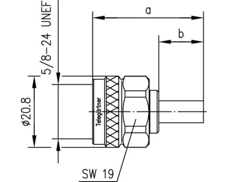
Вилка; N; "тато"; прямий; 50 Ом
Коаксіальний роз'єм Telegärtner J01020A0108 (N-type male, RG-58, обжим)
Telegärtner J01020A0108 — це високоякісний коаксіальний ВЧ роз'єм типу N (штекер, male), призначений для використання з кабелями RG-58 та аналогічними. Завдяки обтискному монтажу забезпечує надійне з'єднання, стабільні електричні характеристики та довговічність навіть у складних умовах експлуатації.
Основні характеристики:
- Тип роз'єму: N-type (штекер, male)
- Конструкція: пряма (straight)
- Монтаж: обжим (crimp)
- Імпеданс: 50 Ом
- Частотний діапазон: до 11 ГГц
- Сумісні кабелі: RG-58 (RG58C/U) та аналоги
Матеріали:
- Корпус: нікельований метал
- Центральний контакт: посріблень
- Ізолятор: PTFE (тефлон)
Експлуатаційні параметри:
- Температурний діапазон: від -65°C до +165°C
- Ступінь захисту: до IP68 (при правильному з'єднанні)
Застосування:
- Антені (Wi-Fi, LTE, радіозв'язок)
- Базові станції та ретранслятори
- Вимірювальне обладнання
- Зовнішні ВЧ інсталяції
Особливості:
- Надійне з'єднання завдяки обтискному монтажу
- Стійкість до корозії та зовнішніх впливів
- Підходити для використання на відкритому повітрі
Зверніть увагу: для монтажу потрібний спеціальний обжимний інструмент (кримпер) для кабелів RG-58.
Mechanical attributes
| Recommended coupling torque | 4 - 6 Nm |
|---|---|
| Durability (Matings) | ≥ 500 |
| Material: spring contacts | CuBe2, CuNi1Pb1P(C97) |
| Material: outer conductor | CuZn39Pb3 |
| Material: other metal parts | CuZn39Pb3 |
| Material: insulators | PTFE |
| Material: gaskets | Silicone, NBR |
| Finish: Inner conductor | Cu2Ag5 |
| Finish: Outer conductor | CuSnZn3 (Telealloy); Ag2CuSnZn0.5 (Optargen) |
| Finish: Other metal parts | CuSnZn3 (Telealloy), Cu2Ni5 |
Thermal and climatic attributes
| Climatic category acc. to IEC 60068 - 1 | 55/155/21 |
|---|
Electrical attributes
| Contact resistance inner conductor | ≤ 1,5 mΩ |
|---|---|
| Contact resistance outer conductor | ≤ 1 mΩ |
| Insulation resistance | ≥ 5 GΩ |
| Voltage proof | 2.5 kVeff/50 Hz |
| Impedance | 50 Ω |
| Return loss: Straight style | ≥ 30.5 dB/1 GHz |
| Return loss: Angle style | ≥ 30.5 dB / 1 GHz |
| Working voltage | ≤ 1 kVeff/50 Hz |
| Frequency range up to | 11 GHz |
Norms
| Standards | IEC 61 169-16 |
|---|
Серія N — це дуже популярний коаксіальний роз'єм. Це прецизійний, атмосферостійкий роз'єм середнього розміру, що поставляється з гвинтовим з'єднанням. У деяких сферах застосування цей роз'єм може використовуватися до 11 ГГц. Доступні лише роз'єми з імпедансом 50 Ом. Доступні роз'єми для гнучких, еластичних, напівжорстких та гофрованих кабелів. Для цієї серії використовуються як обтискні, так і затискні методи загортання кабелю. Спеціальні конструктивні рішення для цієї серії роз'ємів дозволили досягти чудових показників за коефіцієнтом відображення (КСВ) та інтермодуляційним спотворенням. Області застосування цих роз'ємів варіюються від передачі сигналів та даних, де потрібна вібростійкість та захист від впливу навколишнього середовища. Серія N забезпечує рішення для коаксіальних з'єднань середньої потужності та високої частоти.
Відгуків про цей товар ще не було.
Немає запитань про цей товар.

(044) 332-23-33